AMT Datasouth 6310 6350 Parts
Please call for parts
| l Varies Guide, output 384005 6310 (narrow carriage) 384028 6350 (wide carriage) 2 Varies Window, viewing 384004 6310 (narrow carriage) 384027 6350 (wide carriage) 3 Varies Cover, top access 384002 6310 (narrow carriage) 384025 6350 (wide carriage) 4 Varies Damper, top access 385019 6310 (narrow carriage) 385020 6350 (wide carriage) 5 Varies Acoustic foam, top access 385028 6310 (narrow carriage) 385030 6350 (wide carriage) 6 845107-008 1.13" Tape, 2-sided foam, 0.25 THK, .5W 7 840203-000 l Magnet 8 384015 or 2 Support, cut-sheet (wide-carriage has two) 9 382011 Pin, paper guide 10 385016 Spring, paper guide 11 84010 2 Clip, paper tray 12 384008 Guide, paper-let 13 384009 Guide, paper-right l4 Varies Tray, paper 384006 6310 (narrow carriage) 384029 6350 (wide carriage) 15 Varies Panel, sound 384007 6310 (narrow carriage) 384030 6350 (wide carriage) 16 384012 Cover, Intelli-card access 17 Varies Cover, rear access 384003 6310 (narrow carriage) 384026 6350 (wide carriage) 18 385002-xxx Decal, model number (e.g., -001 is 6310; -005 is 6350) Assemblies Varies Assembly, top access (items 3 through 7) 381011-010 6310 (narrow carriage) 381011-020 6350 (wide carriage Varies Assembly, paper tray/sound panel (items 9 through 15) 381009-010 6310 (narrow carriage) 381009-020 6350 (wide carriage 381000 Assembly, paper guide-left (items 9, 10, 11 and 12) 381001 Assembly, paper guide-right (items 9, 10, 11 and 13) 381012 Assembly, magnet/cover open (items 6 and 7) | ![]() |
| 1 Varies Assembly, top enclosure 381003-010 6310 (narrow carriage) 381003-020 6350 (wide carriage) 2 385001 Decal, operator's 3 384011 Dial, control panel 4 335040 Decal, dial timing 5 865330-009 l Washer 6 865202-004 Washer, crescent spring 7 872110-001 Push ring, 3/32 8 384032 Keypad, control panel 9 386000 Assembly, PCB, control panel 10 857620-005 Screw, 6-20x5/l6, Phillips pan-head, self-tapping, ET 11 336141 Subassembly, ground strap, control panel Assemblies 381015 Assembly, control panel dial (items 3 and 4) | ![]() |
| Top Case 1 Varies Enclosure, top 384001 6310 (narrow carriage) 384024 6350 (wide carriage) 2 384014 2 Window, indicator well 3 382022 2 Well, top enclosure 4 384031 Extender, enclosure mating 5 385023 Control panel, grounding foil 6 Varies Scale 385010 6310 (narrow carriage) 385011 6350 (wide carriage) 7 Varies Acoustic foam set, top enclosure 385017 6310 (narrow carriage) 385018 6350 (wide carriage) Subassembly, top enclosure (items 1, 2 and 3) 381004-010 6310 (narrow carriage) 381004-020 6350 (wide carriage) Varies Assembly, top enclosure (all items) 381003-010 6310 (narrow carriage) 381003-020 6350 (wide carriage) Varies Top enclosure (all items plus all items from table 02) 381046-010 6310 (narrow carriage) 381046020 6350 (wide carriage) | ![]() |
| Power and Main Printed Circuit Board l 852440-004 Screw, #4-40 x 3/16, Phillips pan-head, zinc-plated steel 2 303077 Shield, electro-magnetic interference, main printed circuit board (PCB) 3 865340-010 2 Washer, lock, external star, #10 4 865100-004 Washer, flat, #4, zinc-plated steel 5 865150-004 7 Washer, split-lock, #4, zinc-plated steel 6 36603 0-002 Main printed circuit board / 7 852A24-012 Screw, 10-24 x 3/4, Phillips pan-head, zinc-plated steel 8 865150-010 Washer, split-lock, #10, zinc-plated steel 9 865100-010 Washer, flat, #10, zinc-plated steel 10 361021 Bracket with grounding symbol 11 381040 Assembly, cover, high-voltage 12 865340-008 Washer, star, #8, zinc-plated steel 13 85283 2-004 Screw, #8-32 x 1/4, Phillips pan-head, zinc-plated steel 14 863003-010 2 Nut with star, #10-24 (kep nut) 15 865501-002 2 Washer, shoulder, nylon, ID.196, OD.38X.06 16 363 009 Bracket, transformer 17 865350-008 2 Washer, nylon, ID.2, OD.437, THK.02 18 852A24-048 2 Screw, #10-24 x 2.5, Phillips pan-head, zinc-plated steel 19 816118-000 Transformer, 50/60 Hz, 120/240V-6300 (to main PCB J2) 20 852440-006 2 Screw, #4-40 x 3/8, Phillips pan-head, zinc-plated steel 21 800322-000 Switch, power-ac on/oft J 22 857424-004 Screw, 4-24 x 1/4, Phillips pan-head, self-tapping, BT 23 800312-000 Switch, voltage select, 2-position (includes nut and switch) 24 805600-001 Receptacle, ac input 25 364013-003 Panel, ac-6300 series 26 366000 Assembly, PCB ?lter board 27 Varies Bottom enclosure (with acoustic foam, ground shield and clips) 381010-010 6310 (narrow carriage) 381010-020 6350 (wide carriage) 28 Varies l Intelli-card assembly 389000-010 6310/d (narrow carriage) 389000-020 6350/d (wide carriage) 29 865100-008 Washer, flat #8 Assemblies 361003-003 Assembly, power input (items 21 through 26) Varies Assembly, bottom case with power/PCB (items and 3 through 28 plus items through 10 on table C-5) 381049-010 6310 (narrow carriage) 381049-020 6350 (wide carriage) | ![]() |
| Bottom Case 1 306106 Subassembly, cable, control panel (to main PCB J24) 2 8175 13-000 3 Clip, cable retainer 1.02W J 3 Varies Shield, ground 385032 6310 (narrow carriage) 385042 6350 (wide carriage) 4 Varies Acoustic foam set, bottom 385029 6310 (narrow carriage) 385041 6350 (wide carriage) 5 865351-127 Washer, mylar #4, OD .31, ID .125,THK .01 6 876000-001 Screw-captive #8 32, zinc-plated steel, Phillips pan-head 7 Varies Enclosure, bottom 384000 6310 (narrow carriage) 384023 6350 (wide carriage) 8 852440-018 2 Screw, #4-40 x l/-1/8,Phillips pan-head, zinc-plated steel 9 86 5150-004 2 Washer, split-lock, #4, zinc-plated steel 10 Varies Fan assembly (to main PCB 115) 830203-000 6310 (narrow carriage) 830204-000 6350 high-flow (wide carriage) 1l 881101-002 Foot, rubber vibration mounting 12 85263 2-006 Screw #6-32 x 3/8, Phillips pan-head, zinc-plated steel 13 Varies Seal, bottom enclosure 385021 6310 (narrow carriage) 385022 6350 (wide carriage) Assemblies 381010-010 Assembly, bottom enclosure-6310 (items 2 through 7) 381010-020 Assembly, bottom enclosure-6350 (items 2 through 7) | ![]() |
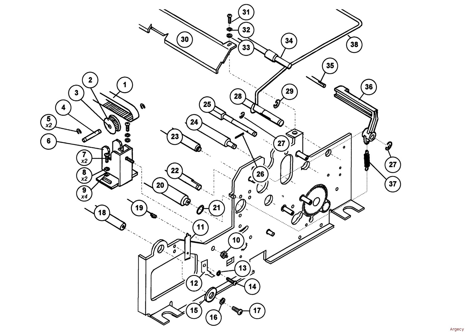
| Chassis, Top l Varies l Platen wiper (with adhesive) 385004 6310 (narrow carriage) 385043 6350 (wide carriage) 2 303004 Varies Guide, paper feed front 3 6310 (narrow carriage) 6 6350 (wide carriage) 3 304058 Varies Fastener, paper feed guide, front 3 6310 (narrow carriage) 6 6350 (wide carriage) 4 852440-004 3 Screw, #4-40 x 1/4, Phillips pan head, zinc-plated steel 5 865150-004 8 Washer, split-lock, #4, zinc-plated steel 6 303036 Clamp, printhead cable shield 7 306075 Cable, printhead interconnect, carriage board JP2 to main PCB 8 306074 Cable, printhead interconnect, carriage board JPl to main PCB 9 301092 Shield, printhead cable assembly, minor 10 301091 Shield, printhead cable assembly, major 11 Varies Acoustic foam,front crossbrace-major (rear) 385037 6310 (narrow carriage) 385039 6350 (wide-carriage) 12 385038 Acoustic foam, front crossbrace -minor (front) l3 852440-006 6 Screw, #4-40 x 3/8, Phillips pan-head 14 301542 Paper jam sensor (to main PCB J9) I 15 304136 Block, mounting-jam sensor 16 852440-006 2 Screw, #4-40 x 3/8, Phillips pan-head 17 865100-004 2 Washer, flat, #4 18 383014 Cover, auto-gap motor 19 366022 Assembly, sensor encoder-auto gap (to main PCB J21) 20 361000 Subassembly, timing disc 21 860440-004 Set screw, 4-40 x 1/4, HSH, C/PT 22 361030 Subassembly, motor/gear-auto gap (to main PCB J22) 23 Varies Subassembly, chassis (with acoustic foam: items 11 and 12) 381020-010 6310 (narrow carriage) 381020-020 6350 (wide carriage) 24 Varies Scale 1 385010 6310 (narrow carriage) 385011 6350 (wide carriage) Assemblies 361018 Assembly, autogap motor with disk items 20, 21 and 22) | ![]() |
| Chassis, Bottom l Varies Subassembly, chassis 381020-010 6310(narrow-carriage) 381020-020 6350 (wide-carriage) 2 817513-000 3 Clip, cable retaining with adhesive backing 3 817500-002 Tie wrap V 4 817510-00] Holder, cable tie 5 852832-006 2 Screw,#8-32x3/8,Phillips pan-head,zinc-p1ated steel 6 865150-008 5 Washer, split-lock, #8 7 852440-008 Screw, #4-40x l/2,Phi11ips pan-head,zinc-plated steel 8 865150-004 Washer, split-lock,#4 9 865600-004 Washer, flat, light, #4,zinc-plated steel 10 306073 Cable, interconnect carriage board JP2 to main PCB J12 11 306072 Cable,interconnectcarriageboardJP] to main PCB 12 852832-007 3 Screw,#8-32x7/l 6, Phillips pan-head 13 865100-008 3 Washer, flat, #8 14 868100-018 Pulley/setscrew 40DP,18 groove,0.25 bore 15 306012 Motor, paper drive (to main PCB J 14) 16 852440-006 3 Screw, #4-40x3/8,Phillips pan-head 17 865150-004 3 Washer, split-lock,#4 18 865100-004 3 Washer, flat, #4 19 381005 Assembly, gear train/automatic tractor 20 842105-002 Varies Bumper, .5 square, .12 height 0 6310(narrow-carriage) 2 6350 (wide-carriage) Assemblies 301012 Assembly, motor paper feed (items l4 and 15) | ![]() |
| Chassis Left 1 305010 Lock,platen,left 2 872109-188 3 Ring, retaining, external shaft O.l88 3 852440-004 3 Screw#4-40x 1/4,Phi11ips pan-head, zinc-plated steel 4 865150-004 3 Washer, split/lock#4 5 363011 Bracket, ribbon drive cable support 6 385014 Cable, ribbon drive-6310 (narrow-carriage) 305018 Cable,ribbon drive-6350 (wide-carriage) 7 868200-005 l Belt, 40 DP, 1/4 wide, 125 grooves 8 817510-001 3 Cable tie holder,nylon V 9 365004 Spring, bail 10 304134 Arm,bail, left 11 882002-001 l Grommet 12 303127 Actuator, bail 13 873105-002 Pin, roll,OD 0.063 14 830303-000 Solenoid,bail (to main PCB J16) 15 865100-008 Washer, flat, #8 16 865150-008 Washer, split/lock, #8 17 852832-004 Screw, #8-32x 1/4,Phi11ips pan-head, zinc-plated steel 18 363004 Lever, micro gap 19 305079 Spring, external paper release 20 304017 Link, left 21 304015 Actuator, paper release, left 22 872109-219 Ring, retaining, external shaft 0.21 23 303016 Washer,thrust, paper feed-0.042 24 304124 Gear, paper feed shaft 25 852832-013 2 Screw#8-32x 13/16, Phillips pan-head 26 865150-008 2 Washer split/lock#8 27 865330-008 2 Washer, flat, #8 ID .187 OD.75 28 301110 2 Subassembly,vibration mount 29 303039 2 Strap, ground 30 870104-625 Bearing, ball .625 31 872110-002 Ring, ret.,ext.,push-on 0.125 Assemblies 381026 Assembly, bail/actuator (items 1 through14) | ![]() |
| Chassis, Left Shafts, Tractors and Motors 1 890127-000 l Tractor, pair--4pin 2 Varies 382007 Shaft, tractor drive-6310 (narrow-carriage 302013 Shaft, tractor drive-6350 (wide-carriage) 3 Varies l Shaft, tractor support 382002 6310 (narrow-carriage) 302014 6350 (wide-carriage) 4 865200-003. l Washer, wave spring ID .203, OD .375 5 301012 Assembly, motor-paper feed (to main PCB J14) 6 865100-008 6 Washer, flat #8 7 865150-008 7 Washer, split/lock #8 8 852832-007 6 Screw, #8-32 x 7/16, Phillips pan-head 9 Varies l Shat, roller support 382006 6310 (narrow-carriage) 301010 6350 (wide-carriage) 10 Varies Shall, paper release 382003 6310 (narrow-carriage) 302015 6350 (wide-carriage) 11 Varies l Shat, paper feed 382001 6310 (narrow-carriage) 302008 6350 (wide-carriage) 12 Varies Shaft, carrier main 382004 6310 (narrow-carriage) 362000 6350 (wide-carriage) 13 Varies Deflector, paper 383003 6310 (narrow-carriage) 303014 6350 (wide-carriage) 14 85263 2-004 Screw #6-32 x 1/4, Phillips pan-head, zinc-plated steel 15 865150-006 l Washer, split/lock #6, zinc-plated steel 16 865100-006 l Washer, flat, #6 17 Varies Shaft carrier support 382008 6310 (narrow-carriage) 302020 6350 (wide-carriage) 18 865330-008 Washer, flat, ID .187, OD .75 19 865150-008 Washer, split/lock #8 20 85283 2-006 Screw, #8-32 x 3/8, Phillips pan-head, zinc-plated steel 21 852440-004 2 Screw, #4-40 x 1/4, Phillips pan-head 22 852832-008 Screw, #8-32 x 1/2, Phillips pan-head 23 306078 Assembly, sensor home (to main PCB J5) 24 361034 Subassembly, motor/pulley-carriage drive (to main PCB J 13) 25 303055 Bracket, carriage motor 26 865150-004 2 Washer, split-lock #4 | ![]() |
| Chassis, Right 1 305004 Lock, platen, right 2 872109-188 Ring, retaining, external shaft 0.188 3 304133 Arm, bail, right - 535d/635d/6300 4 365004 Spring, bail 5 366023 Assembly, switch, auto tractor select (to main PCB J4) 6 865150-002 2 Washer, split/lock #2 7 852256-006 2 Screw #2-56 x 3/8, Phillips pan-head 8 381042 Indicator, tractor select (3 84035) and label (385035) 9 872109-312 Ring, retaining external shaft0.312 10 304002 Gear, tractor drive 1 11 871350-006 Spring, compression, OD 0.265 V 12 872109-219 2 Ring, retaining external Shaft 0.219 13 304014 Actuator, right I 14 304016 Link, right / 15 Varies 303129 Washer, thrust, paper feed-6350, 0.60 303016 Washer, thrust, paper feed-6310, 0.42 16 305079 Spring, external paper release 17 301032 Subassembly, gear train, rear tractor 18 865100-006 3 Washer, flat #6, zinc-plated steel 19 865150-006 3 Washer, split/lock #6, zinc-plated steel 20 852632-006 3 Screw #6-32 x 3/8, Phillips pan-head, zinc-plated steel 21 817510-001 2 Cable tie holder, nylon I 22 381006 Assembly, motor/gear-auto tractor select (to main PCB J20) 23 865100-004 2 Washer, flat #4 24 865150-004 2 Washer, split/lock #4 25 852440-004 2 Screw #4-40 x 1/4, Phillips pan-head 26 364009 2 Retainer, bearing 27 85 5440-003 2 Screw, #4-40 x 3 16, Phillips flat-head 28 870104-625 Ball bearing .625 29 865330-030 Washer, SS 0.15 thick 30 381041 Indicator, auto gap (384034) and label (385035) 31 865340-004 l Washer, external star, #4 32 852440-005 Screw #4-40 x 5/16, Phillips pan-head 33 852832-013 2 Screw #8-32 x 13/16, Phillips pan-head 34 865150-008 2 Washer split/lock #8 35 865330-008 2 Washer, flat, #8 ID .187 OD.75 36 301110 2 Subassembly, vibration mount 37 303039 2 Strap, ground | ![]() |
| Chassis, Right Shafts, Cable and Belt l 868201-371 l Belt, carriage drive-6310 (narrow-carriage) 868201-000 l Belt, carriage drive-6350 (wide-carriage) 2 301002 l Pulley, return 3 870105-500 2 Bearing, ball, two-shield OD 0.5, ID 0.18 4 302023 Shaft return pulley 5 872109-188 2 Ring, retaining, external Shaft 0.188 6 303007 Bracket, return pulley 7 85263 2-006 2 Screw #6-32 x 3/8, Phillips pan-head, zinc-plated steel 8 865150-006 2 Washer, split/lock #6, zinc-plated steel 9 865100-006 2 Washer, flat #6, zinc-plated steel 10 875832-001 Nut, hex, nylok #8-32 11 305006 Spring, ribbon drive cable 12 805120-000 Tab, 90 degree, .25 x 0.032 13 865150-004 l Washer, split/lock #4 14 852440-004 Screw #4-40 x 1/4, Phillips pan-head, zinc-plated steel 15 865330-008 Washer, flat, ID .187, OD .75 16 865150-008 l Washer, split/lock #8 17 852832-006 Screw, #8-32 x 3/8, Phillips pan-head, zinc-plated steel 18 382008 Shaft, carrier support-6310 (narrow-carriage) 302020 Shaft, carrier support-6350 (wide-carriage) 19 385014 Cable, ribbon drive-6310 (narrow-carriage) 305018 Cable, ribbon drive-6350 (wide-carriage) 20 382004 Shaft, carrier main-6310 (narrow-carriage) 362000 Shaft, carrier main-6350 (wide-carriage) 21 865330-030 Washer, SS 0.15 thick 22 382003 Shaft, paper release-6310 (narrow-carriage) 302015 Shaft, paper release-6350 (wide-carriage) 23 3 82001 Shaft, paper feed-6310 (narrow-carriage) 302008 Shaft, paper feed-6350 (wide-carriage) 24 382006 Shaft, roller support-6310 (narrow-carriage) 301010 Shaft, roller support-6350 (wide-carriage) 25 382007 Shaft, tractor drive-6310 (narrow-carriage) 302013 Shaft, tractor drive-6350 (wide-carriage) 26 873117-001 Pin, groove type E, 3/32 diam x 3/8 long 27 872109-188 2 Ring, retaining, external shaft 0.188 28 382002 Shaft, tractor support-6310 (narrow-carriage) 302014 Shaft, tractor support-6350 (wide-carriage) 29 872109-3 l2 Ring, retaining, external Shaft 0.3 12 30 383 003 l Deftector, paper-6310 (narrow-carriage) 303014 Deftector, paper-6350 (wide-carriage) 31 852632-004 Screw #6-32 x 1/2, Phillips pan-head, zinc-plated steel 32 865150-006 Washer, split/lock #6, zinc-plated steel 33 865100-006 l Washer, flat, #6, zinc-plated steel 34 381007 Assembly, bail tube-6310 (narrow-carriage) 301536 Assembly, bail tube major-6350 (wide-carriage) 301537 Assembly, bail tube minor-6350 (wide-carriage) 35 382000 Shaft, bail-6310 (narrow-carriage) 302006 Shaft, bail-6350 (wide-carriage) 36 304133 Am), bail, right 37 365004 Spring, bail 38 385015 Guide, rear paper feed-6310 (narrow-carriage) 385036 Guide, rear paper feed-6350 (wide-carriage) Assemblies 301015 Return pulley (items 2 through 5) | ![]() |
![]() | |
| Platen l 872109-312 Ring, retaining, external, shaft 0.312 2 304125 Pulley/gear, platen drive 3 304026 2 Bearing, platen 4 849A32-004 2 Screw, set, #10 32 x 1/4, hex socket head, knurled cup-point 5 200744 2 Gear, platen drive 6 304027 Bushing, platen left 7 865200-002 l Washer, wave spring, ID 0.385, CD 0.50 8 Varies l Platen 385007 Narrow-carriage 305001 Wide-carriage 9 304028 Bushing, platen right 10 301515 Assembly, platen paper-out sensor brush Assemblies 381013-010 Platen (all items), narrow-carriage 301367 Platen (all items), wide-carriage | ![]() |
| Paper Guides l 303005 Varies Guide, paper feed, rear 3 Narrow-carriage 6 Wide-carriage 2 305351 Varies Roller, paper feed 4 Narrow-carriage 5 Wide-carriage 3 305007 Varies Belt, paper feed 4 Narrow-carriage 5 Wide-carriage 4 872116-438 2 Ring, retaining, crescent, shaft 0.438 5 Varies Shall, roller support 382006 Narrow-carriage 302009 Wide-carriage 6 Varies Shaft, paper feed 382001 Narrow-carriage 302008 Wide-carriage 7 Varies l Sleeve, paper feed shalt 385008 Narrow-carriage 305013 Wide-carriage Assemblies Varies Roller support shaft (items 1,2, 4 and 5) 381027 Narrow-carriage 301010 Wide-carriage | ![]() |
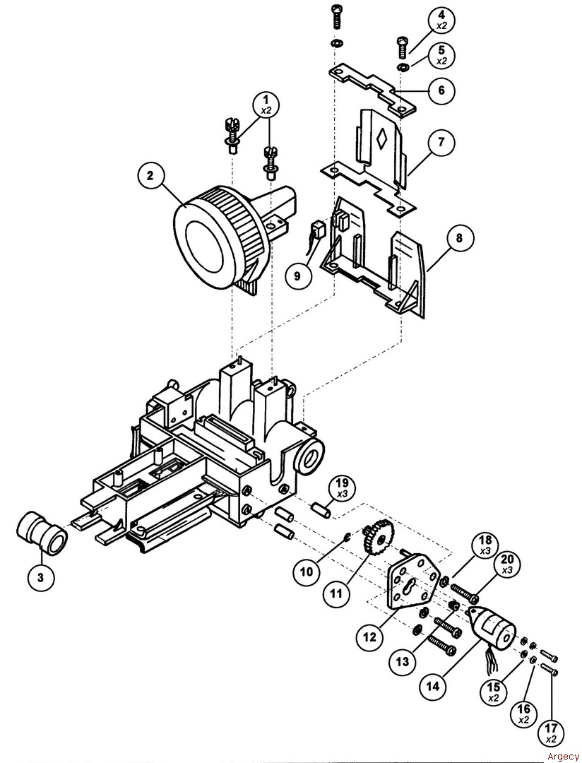
| Ribbon Platform l 844110-xxx Ribbon cartridge (-001 , black; -002, color; -101 , HD black; -107, HD color) 2 304011 2 Clip,ribbon cartridge 3 305175 Pad,ribbon cartridge 4 852440-004 3 Screw,#4-40x 1/4,Phi11ips pan-head,zinc-plated steel 5 865150-004 3 Washer, split-lock,#4,zinc-plated steel 6 383015-002 Platform, ribbon elevator 7 850256-001 Nut, hex,#2-56, STD, zinc-plated steel 8 304021 Gear quadrant, ribbon elevator 9 855256-003 Screw, #2-56x3/1 6, Phillips flat-head, l00-degrees 10 872109-188 2 Ring,retaining, external, Shaft0.l88 11 302021 2 Pin,pivot,ribbon elevator 12 865200-003 2 Washer, wave spring, ID 0.203, OD 0.375 13 855440-004 Screw, #4-40x 1/4, Phillips flat-head, l00-degrees 14 306100 Multicolor ribbon switch assembly (to caniage board JP8) 15 865100-002 Washer, flat, #2, zinc-plated steel 16 865150-002 Washer, split-lock, #2,zinc-plated steel 17 852256-006 Screw, #2-56x 3/8,Phillips pan-head, zinc-plated steel 18 303006 Bracket,ribbon elevator 19 301026 Ribbon drive mechanism Assemblies 381018-002 Platform subassembly (items3 and 6) 300023 Kit, ribbon pad, set of 4 (item 3) | ![]() |
| Ribbon Drive Mechanism 1 Varies Cable, ribbon drive 385014 6310 (narrow carriage) 305018 6350 (wide carriage) 2 872109-125 Ring, retaining, external, shaft 0.125 3 865330-010 Washer, flat, ID 0.195, OD 0.375 4 304007 Pulley, ribbon drive 5 304010 Spindle, ribbon drive 6 872109-094 Ring, retaining, external, shaft 0.094 7 865330-004 Washer, flat, ID 0.115, OD 0.270, 0.010 thick 8 304009 Gear, ribbon drive reversing 9 865330-012 Washer, flat, ID 0.114, 0D 0.312, 0.005 thick 10 865202 004 Washer, crescent spring, ID 0.099, CD 0.25 l1 302005 Pin, reversing gear 12 304051 Arm, ribbon reversing 13 304008 3 Gear, ribbon drive idler 14 302022 3 Spacer, ribbon drive 15 301027 Ribbon drive plate 16 855440-004 3 Screw, #4-40 x 1/4, Phillips flat-head, l00-degrees Assemblies 301026 Ribbon drive mechanism (items 2 through 16) 301028 Ribbon reverse arm/gear (items 6 through 12) 301029 Ribbon reverse arm (items 11 and 12) | ![]() |
| Carrier with Printhead and Ribbon Lift Motor 1 301042 2 Assembly, printhead screw 2 830137-000 Printhead, 24-wire (to carriage board JP7) 3 304055 Bearing, carriage shaft minor 4 852440-004 2 Screw, #4-40 x 1/4, Phillips pan-head, zine-plated steel 5 865150-004 2 Washer, split-lock, #4, zinc-plated steel 6 303027 Clamp, ribbon shield 7 303003 Shield, ribbon 8 304020 Print-line indicator/paper deflector 9 306079 Paper sensor assembly (to carriage board JP5) 10 872109-125 ring, retaining, external, Shaft 0.125 11 304006 Gear, cluster, color / 12 303000 Plate, ribbon shift motor 13 304005 Gear, motor drive-color 14 306104 Assembly, motor ribbon lift (to carriage board JP3) 15 865330-001 2 Washer, flat, ID 0.105, 0D 0.190 16 865150-002 2 Washer, split-lock, #2, zinc-plated steel 17 852256-004 2 Screw, #2-56 x l/4, Phillips pan-head, zinc-plated steel 18 86 5 150-004 3 Washer, split-lock, #4, zinc-plated steel 19 302011 3 Spacer, ribbon lift motor 20 852440-010 3 Screw, #4-40 x 5/8, Phillips pan-head, zinc-plated steel Assemblies 301024 Assembly, motor-ribbon shift (items 10 through 17) | ![]() |
| Carrier with Printed Circuit Board, Sensor and Solenoid 1 306105 Carriage PCB assembly and cables (includes items 11 and 12) 2 857424-006 Screw, #4 24 x 3/8,Phillips pan-head, self-tapping, type B 3 304050 Washer, carriage PCB 4 301019 Assembly, carrier-standard 6300 series 5 303018 Plate, mating printhead cables 6 303020 Clamp, printhead cables 7 852440-004 Screw, #4-40 x 1/4, Phillips pan-head, zinc-plated steel 8 865150-004 Washer, split-lock, #4, zinc-plated steel 9 85 5440-004 Screw, #4-40 x 1/4, Phillips flat-head, l00-degrees 10 306075 Cable, printhead interconnect,carriage board JP2 to main PCB J12 11 306074 Cable, printhead interconnect, carriage board JPl to main PCB J11 12 301092 Shield, printhead cable, minor 13 301091 Shield, printhead cable, major 14 852172-003 2 Screw, #1-72 x 3/ 16, Phillips pan-head, zinc-plate steel 15 830301-000 Solenoid, microshift 12v, 1.44 L (SP-50) (to carriage board JP4) 16 852256-008 2 Screw, #2-567 x 1/2, Phillips pan-head, zinc-plated steel 17 865150-002 2 Washer, split-lock, #2, zinc-plated steel 18 865100-002 2 Washer, flat, #2, zinc-plate steel 19 306111 l Ribbon home switch assembly (to carriage board JP6) 20 303023 Shield, ribbon home switch 21 8175 10-001 Cable tie holder, nylon 22 865150-001 2 Washer, split-lock, #1 Assemblies 306105 Carriage board and cables (item includes items 11 and 12) | ![]() |
| Carrier 1 304012 Carrier, head, machined 2 304070 Bearing, head carrier 3 304019 Lever, micro-shift, machined 4 873100-020 Dowel pin, .125 diameter x .625 length 5 873104-001 2 Dowel pin, metric, ss, 2mm x 8mm 6 305082 2 Wiper, carriage shaft, felt 7 304076 Retainer, wiper carrier-left 8 304075 Retainer, wiper carrier-right 9 305083 2 Bumper, carrier 10 304062 2 Mount, carrier printed circuit board 11 302012 Stop, micro-shill lever 12 Varies Belt, carriage, 0.083 pitch, 0.38 wide 868201-371 6310 (narrow carriage) 868201-000 6350 (wide carriage) 13 304048 Clamp, carriage belt 14 852632-008 Screw, #6-32 x 1/2, Phillips pan-head 15 865 150-006 Washer, split-lock, #6 l6 865100-006 Washer, flat, #6 Assemblies 301242 Subassembly, carrier (items through 6) 301058 Subassembly, wiper retainer-left (items 8 and 10) 301057 Subassembly, wiper retainer-right (items 9 and 10) 301019 Assembly, carrier-standard (items through 11) | ![]() |
| Powered, Bottom-Feed Stand 1 852632-005 7 Screw, #6-32 x 5/16, Phillips pan-head, zinc-plated steel 2 865150-006 5 Washer, split-lock, #6, zinc-plated steel 3 865100-006 5 Washer, flat, #6, zinc-plated steel 4 306295 Logic interconnect cable from J2 to main PCB at J19 (black) 5 306296 Power interconnect cable from J3 to main PCB at J18 (red) 6 306310 Assembly, printed circuit board, demand mechanism with jam sensor 7 Varies Assembly, mechanism-demand (see table C-21) 381030-010 6310 (narrow-carriage) 381030-020 6350 (wide-carriage) 8 Varies Assembly, housing-demand (see table C-20) 381029-010 6310 (narrow-carriage) 381029-020 6350 (wide-carriage) 9 851440-006 2 Screw, #4-40 x 3/8, Phillips pan-head, self-tapping AB 10 865150-004 2 Washer, split-lock, #4 11 301542 Assembly, paper jam sensor (to J1 on stand's PCB) 12 304136 Block, jam mounting-demand Assemblies 380506-010 Option, demand-6310 (narrow-carriage) (all items) 380506-020 Option, demand-6350 (wide-carriage) (all items) | ![]() |
| Powered, Bottom-Feed Housing l 852632-010 Screw #6-32 x 5/8, Phillips pan-head, zinc-plated steel 2 865150-006 Washer, split-lock, #6, zinc-plated steel 3 865000-006 Washer, flat, #6, zinc-plated steel 4 882002-001 Grommet, ID.12, OD.34, THK.19 5 876000-0002 Screw, captive #6-32, Phillips pan-head 6 881101-002 ' Foot, rubber, vibration mounting 7 85263 2-010 2 Screw #6-32 x 5/8, Phillips pan-head, zinc-plated steel 8 Varies Scale 385010 6310 (narrow-carriage) 3895011 6350 (wide-carriage) 9 Varies l Cross brace, demand 383004 6310 (narrow-carriage) 383007 6350 (wide-carriage) 10 384017 Housing, demand, left 11 384018 Housing, demand, right 12 881106-018 2 O-ring, NPN, ID.75, 0D.875 13 384019 2 Track, demand-left 14 384020 2 Track, demand-right 15 382012 2 Pin, demand foot 16 384021 2 Foot, demand-stand, 6300 17 382013 2 Rod, demand, foot 18 852632-006 2 Screw #6-32 x 3/8, Phillips pan-head, zinc-plated steel Assemblies 381019 Assembly, foot-6300B (items 6, 15, l6, l7 and 18) 381035 Assembly, foot/track-6300D (items 6 and 12 through 18) 381034 Subassembly, housing, le?-6300D (items 4, 5, 6, 7 and 10) 381033 Subassembly, housing, right-6300D (items 4, 5, 6, 7 and 11) 381032 Housing, le?-6300D (items 4, 5, 6,7, 10 and 15 through 18) 381031 Housing, right-6300B (items 4, 5, 6, 7, 11 and 15 through 18) Varies Assembly, housing, demand (all items) 381029-010 6310 (narrow-carriage) 381029-020 6350 (wide-carriage) | ![]() |
Powered, Bottom-Feed Mechanism l 868200-008 Belt, 40dp 1/4W 90-groove 2 868102-024 l Pulley, 40dp 2 ?g 1/4 belt 24-groove with set screws 3 852832-006 3 Screw #8-32 x3/8,Phillips pan head,zinc-plated steel 4 865150-008 3 Washer, split-lock, #8,zinc-plated steel 5 865100-008 3 Washer, flat, #8,zinc-plated steel 6 304121 Pulley, motor 16-groove, 1/1 80 7 849832-004 2 Screw, set, #3-32 x 1/4 HSH KNL C/PT 8 306102 Subassembly, motor (PJ55) 13" leads (to J4 on stand's PCB) 9 383005 Bracket, left, demand 10 304025 2 Bearing, tractor drive shaft 11 383006 Bracket, right-6300B 12 852632-006 2 Screw, #6-32x 3/8,Phillips pan-head,zinc-plated steel 13 865150-006 2 Washer, split-lock, #6, zinc-plated steel 14 865350-005 Washer, nylon, OD.5, ID>193, THK.125 15 Varies Shaft, tractor drive demand 382009 6310(narrow-carriage) 382018 6350 (wide-carriage) l6 Varies l Shaft, tractor support-demand 382010 6310(narrow-carriage) 381019 6350(wide-ca1riage) 17 890132-098 Tractor, 4-pin, .03 gap-left 18 303113 Guide, tractor demand left l9 852440-020 2 Screw, #4-40 x 1/4,Phillips pan-head, zinc-plated steel 20 865600-004 6 Washer, flat, light,#4,zinc-plated steel 21 865150-004 2 Washer, split-lock,#4 22 857328-004 2 Screw, #3-28 x 1/4,Phillips pan-head, zinc-plated steel BT 23 850440-001 Nut,hex, #440, standard, zinc-plated steel 24 303112 Guide, tractor demand-right 25 890132-099 Tractor, 4-pin, .03 gap-right Assemblies 301350 Subassembly, motor/pulley paper-feed (items 6,7 and 8) 381038 Subassembly, motor plate, left 6300D (items 9 and 10) 381037 Assembly, plate, right 6300D (items l0 and 11) 381036 Assembly, motor/plate, left-6300D (items 2 through 10) 301526 Assembly, tractor/guide-left (items 17 through 23) V 301505 Subassembly,tractor/guide-right(items l9 through 25) V 381030-010 Assembly, mechanism-6310D (narrow-carriage) (all items) 381030-020 Assembly,mechanism-6350D (wide-carriage) (all items) | ![]() |




















